การทำ PCB ด้วย Minicnc
การทำ pcb ด้วย minicnc มีด้วยกันหลายแบบ เช่น ใน โปรแกรมออกแบบ Eagle ก็มี ULP Script ที่สามารถ ออก G code ได้ เป็นต้น นอกจากนี้ ยังมี Script อื่น เช่น PCB To Gcode ให้ใช้เช่นกัน
การทำ PCB มี 2 กระบวนการ คือ
1.การเจาะ
2.การ Rout ลายเส้น
3. การตัดขอบ PCB
ในการทำ PCB ให้มีคุณภาพ ควรมีอย่างน้อย 3 ขั้นตอนนี้
1. การเจาะ PCB
ในการเจาะ เราจะได้ ไฟล์งาน ที่อยู่ในรูปของ Excellon Format รูปแบบสำคัญของ Excellon Format คือ มีตำแหน่งเจาะ XY และ Tool No. แต่ไม่มี ความลึก ของการเจาะ ดังนั้นจะอ่านเข้ามาแบบ G code เลยไม่ได้ จะต้องทำการแปลง Excellon Format ให้เป็น G code เสียก่อน จึงจะใช้งานได้ อ่านเพิ่มเติมได้ที่ Wiki
ตัวอย่าง Excellon Format
METRIC,TZ
FMAT,2
ICI,OFF
T02C0.8000
T01C0.9000
T03C1.9500
T04C3.2000
%
M71
G90
G93X0Y0
T02
X125730Y16193
Y16828
Y17463
...
M30
โปรแกรม ที่แนะนำ คือ
1.1 FlatCAM http://flatcam.org/download
1.2 Copper CAM https://www.galaad.net/coppercam-eng.html
2.การกัดลายเส้น PCB
การกัดลายเส้น คือ การกัดลายที่ไม่ต้องการออก ปัญหาของการกัดลาย ส่วนมากในทุก โปรแกรมการออก Electronics แบบ จะมี File มาตรฐาน คือ Gerber File ( Gerber Format ) ซึ่งมีหลาย Layer เราจะนำ Layer ที่ต้องการมาทำการกัด เช่น Bottom Layer ,Keep Out Layer , Top Layer
ตัวอย่างรูปแบบ ของ Gerber Format ( Gerber Format WIKI )
%TF.FileFunction,Copper,Bot,L4*%
%TF.Part,Single*%
%FSLAX35Y35*%
%MOMM*%
%TA.AperFunction,Conductor,NotC*%
%ADD10C,0.15000*%
%TA.AperFunction,ViaPad*%
%ADD11C,0.75000*%
%TA.AperFunction,ComponentPad*%
%ADD12C,1.60000*%
%ADD13C,1.70000*%
%SRX1Y1I0.00000J0.00000*%
G01*
G75*
%LPD*%
D10*
X7664999Y3689998D02*
X8394995D01*
X8439999Y3734999D01*
X9369999D01*
D11*
X7664999Y3689998D03*
X8359999Y1874998D03*
X9882998Y3650498D03*
D12*
ปัญหา ของ Gerber หลังนำมาใช้งาน จะมีปัญหาตามรูปข้างล่าง

จะต้องมีการ Isolate ออกตามตัวอย่างข้างล่างครับ
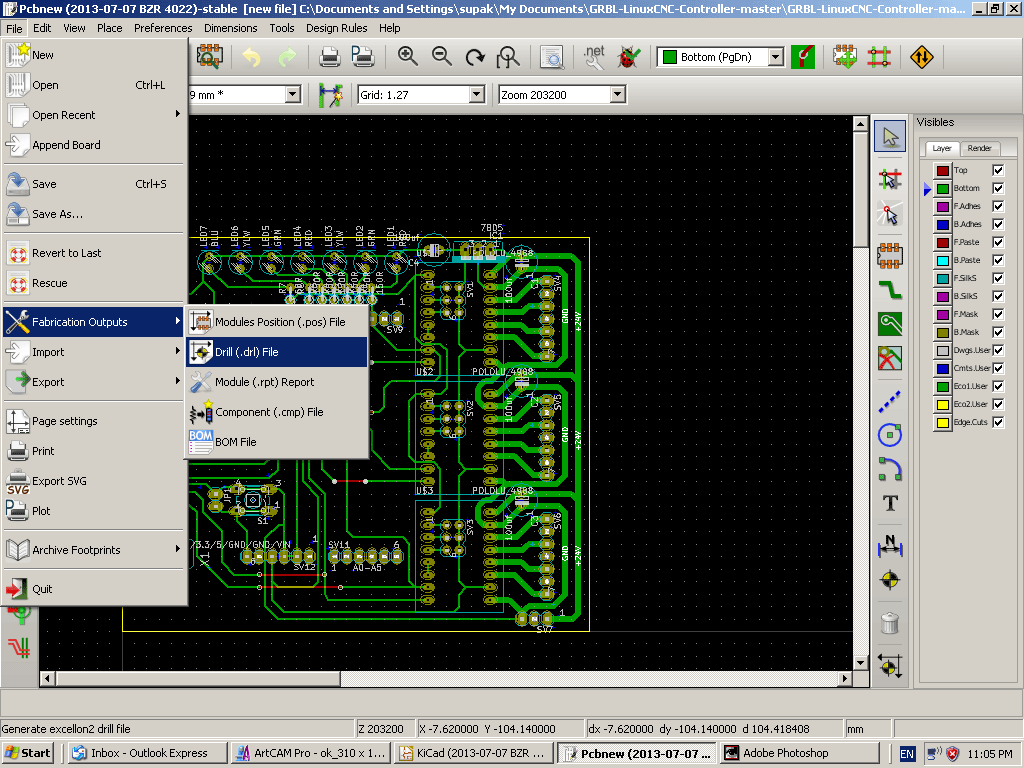
จากประสพการณ์ การ Export File (ตัวอย่างนี้เป็นการทำงานด้วย Kicad PCB) ไปทำการกัด PCB บน CAD CAM ทั่วใปตามตัวอย่างข้างล่าง
ทำการ Import เข้า Artcam
ทำการ Isolate ด้วย คำสั่ง Weld Vector
ได้ผลตามนี้ครับ
ตรวจสอบเส้น ด้วย Vector Doctor อีกครั้ง ครับ
จากนั้นก็นำไปทำ Tool Path ได้เลยครับ
ตัวอย่างนี้เป็นการทำ PCB จาก โปรแกรมออกแบบ PROTEUS
เราจะได้ GERBER File ตามตัวอย่างข้างล่างทานสามารถใช้ Text Editor เช่น Notepad เปิดอ่านได้













